Ticker

6/recent/ticker-posts

Advertisement

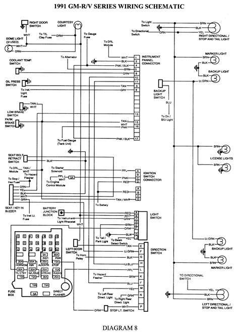
Download 2000 Chevy Silverado Wiring Diagram Manual

At present you are looking regarding an 2000 Chevy Silverado Wiring Diagram Manual example of which we provide here in some form of document formats many of these as PDF, Doc, Energy Point, and also images of which will make it simpler for you to create an 2000 Chevy Silverado Wiring Diagram Manual yourself. For a better look, you are able to open a few examples below. All of the illustrations about 2000 Chevy Silverado Wiring Diagram Manual with this site, we get from many sources so you could create a better document of your own.

If the search you acquire here does not match what you are seeking for, please utilize the lookup feature that we have got provided here. You are free to download anything that we provide right here, expense cost you the particular slightest.

DOWNLOAD HERE

Everyone knows that reading 2000 Chevy Silverado Wiring Diagram Manual is useful, because we can get too much info online from the reading materials. Technologies have developed, and reading 2000 Chevy Silverado Wiring Diagram Manual books might be far more convenient and much easier. We can read books on the mobile, tablets and Kindle, etc. Hence, there are lots of books entering PDF format.

Right here websites for downloading free PDF books where you can acquire as much knowledge as you want. Nowadays everybody, young and aged, should familiarize themselves along with the growing eBook business. Ebooks and eBook visitors provide substantial benefits above traditional reading. Ebooks reduce down on the use of paper, as strongly suggested by environmental enthusiasts. There are no fixed timings for study. There will be no question of waiting-time for new editions. There is no transportation in order to the eBook shop. The particular books in an eBook shop can be downloaded instantly, sometimes for free, occasionally to get a fee.

Not just that, the online variation of books are generally cheap, because publication homes save their print in addition to paper machinery, the advantages of which are transferred to customers. Further, the particular reach of the eBook shop is immense, allowing a person living in Sydney to source out in order to a publication house in Chicago. The newest craze in the online eBook world is what are known as eBook libraries, or eBook packages. An eBook package deal is something out of the ordinary. This consists of a big number of ebooks included together that are not easily available at one individual place. So instead associated with hunting down and acquiring, say 100 literary classics, you can purchase an eBook package deal which contains all these kinds of ebooks bundled together. These types of eBook libraries typically offer you a substantial savings, in addition to are usually offered in a variety of formats to fit your brand of electronic reading device. Large companies, such because Amazon or Barnes and Noble, tend to not carry these eBook libraries. If you want in order to buy one of these libraries, you will have in order to find independent eBook shops. These independent eBook shops typically package the eBook libraries by genre, in addition to have a wide selection of genres.